Подключение лампы led тип. Подключение светодиодного светильника к сети 220В
- Подключение лампы led тип. Подключение светодиодного светильника к сети 220В
- Замена люминесцентных ламп на светодиодные экономия. Какая экономия?
- Схема подключения светодиодной лампы вместо люминесцентной. Схемы подключения
- Как подключить светодиодную лампу с двумя проводами. Подключение осветительного прибора из светодиодов к бытовой электросети
- Устройство светодиодной лампы Т8. СВЕТОДИОДНЫЕ ЛАМПЫ Т8
- Подключение светодиодной лампы Т8. Схема подключения светодиодных трубок Т8
- Схема подключения светодиодной лампы прямого включения 220В. Схемы подключения
- Как подключить светодиодный светильник без драйвера. Способы питания без драйвера) ЭКСПЕРИМЕНТЫ)))
Подключение лампы led тип. Подключение светодиодного светильника к сети 220В
Многие заказчики интересуются решением проблемы электропитания светодиодных светильников от переменного напряжения бытовой электрической сети 220В. На самом деле проблемы не существует, а решение очень простое – все LED-светильники в нашем интернет-магазине продаются со встроенным преобразователем AC/DC. Поэтому можно смело подсоединять приборы освещения к существующей электропроводке.
Для примера посмотрим фотографию стандартного светильника, встраиваемого в подвесной потолок. Виден небольшой преобразовательный блок и два провода для подключения к электросети. Электроника блока выполняет выпрямление, стабилизацию и снижение входного напряжения переменного тока до нужной величины.
Подключение двумя или тремя проводами, без заземления/с заземлением
Светодиодный светильник подключается посредством двух или трех проводов. Необходимо понимать, что в большинстве квартир или офисных помещений разводка электросети выполнена двумя проводами: нулевым (синего цвета) и фазным (коричневого или красного цвета). Третий, заземляющий провод (желто-зеленого цвета), как правило, не используется.
Подсоединение осветительного прибора обычно осуществляется только 2-мя проводами при помощи специальных клеммников. На корпусе блока электропитания светильника имеются обозначения входных проводников: L – фаза, N – ноль. Таким образом реализуется двухпроводное подключение без заземления.
Если в сети присутствует отдельная заземляющая жила, то она присоединяется к специальному выводу на корпусе светильника, обеспечивая заземление в трехпроводном варианте подключения.
Схемы подключения 2, 3, 4 и более светильников
Зачастую возникает необходимость подключить 2, 3, 4 светодиодных светильника от одного выключателя. Например, в квартире с натяжными потолками и несколькими приборами освещения, распределенными по всей потолочной площади каждой комнаты. На практике используются три основные схемы, реализующие различную топологию разводки:
- Последовательная . Выполняется прокладка фазного провода к первому светильнику и от него последовательно к каждому последующему устройству. Нулевой проводник напрямую подсоединяется к крайнему в цепочке осветительному прибору. Плюс: небольшой расход проводов и времени. Минусы: уменьшение яркости пропорционально числу подключенных устройств; при выходе из строя одного прибора прекращают работать и все остальные.
- Параллельная . Более практичное решение, при котором к каждому светильнику прокладывается отдельный кабель. Больший расход кабельной продукции компенсируется значительными преимуществами. Яркость источников света соответствует заводским параметрам. Неисправность прибора освещения не влияет на нормальную работу остальных.
- Лучевая . Этот вариант является разновидностью параллельной схемы, позволяющей сэкономить электрический кабель. Вначале монтируют электрокабель до точки на потолке, равноудаленной от установленных LED-светильников, и устанавливают распределительную коробку. Затем от коробки прокладывают короткие кабельные линии к осветительным приборам.
Замена люминесцентных ламп на светодиодные экономия. Какая экономия?
Для того, чтобы посчитать экономию от замены люминесцентных ламп на светодиодные, нужно произвести соответствующий расчет, для этого за основу можно взять два светильника одинаковой мощности, один из которых оснащен люминесцентной лампой, а второй – светодиодами.
Для расчета возьмем светильники, с одинаковыми характеристиками по световому потоку, обеспечивающему требуемую освещенность в заданной точке помещения, а в качестве показателя, на котором будет основан расчет, выступит мощность источника света.
Сравнительные значения, по мощности, люминесцентных и светодиодных источников света приведены в таблице:
Светильник одноламповый люминесцентный, модель Camelion WL-3016 36W 2765, мощностью 36 Вт обойдется покупателю в 820,0 рублей, плюс стоимость самой лампы и стартера – общая сумма составит, в среднем, 900,00 рублей.
Встраиваемый светодиодный светильник, модель Feron AL527 28542, мощностью 18 Вт, белого свечения, обойдется покупателю в 840,00 рублей.
На начальном этапе сравнения исходные параметры примерно одинаковы, это: сила светового потока, зависящая от мощности установленного источника света и стоимость самого светильника. Для сравнительного анализа необходимо заполнить сравнительную таблицу, составленную из расчета того, что светильники работают 10 часов в день, 365 дней в году.
| - |
| - |
| - |
Схема подключения светодиодной лампы вместо люминесцентной. Схемы подключения
Перед тем, как переделать люминесцентную лампу на светодиодную, необходимо разобраться, какие схемы подключения можно использовать.
Существует два пути подключения:
- Первый вариант: подключение на базе ПРА при помощи стартера, конденсатора и дросселя. Подробная схема подключения представлена на рисунке 1 ниже.
- Второй вариант: подключение на базе ЭПРА – электронного балласта при помощи лишь одного блока – высокочастотного преобразователя. Схему вы также можете увидеть на рисунке 2 ниже.

В потолочных светильниках растрового типа необходимо подключить четыре люминесцентные трубки к 2 ЭПРА: из них каждый обеспечивает работу двух ламп. Или же подключаем трубки к комбинированному ПРА – включает в себя 1 конденсатор, 2 дросселя и 4 стартера.
Ниже на рисунке 3 представлена подробная схема подключения светодиодной лампы Т8, которая не содержит никаких дополнительных элементов.

У такого светильника стабилизированный драйвер уже встроен внутрь корпуса. Внутри также расположен алюминиевый радиатор, а на нем закреплена печатная плата со светоизлучающими диодами. Сверху расположен стеклянный или пластиковый рассеиватель. На драйвер поступает напряжение 220В прямо через цоколь. Причем как с одной стороны (на украинских изделиях, в этом случае штырьки с другой стороны являются крепежом), так и с обеих (здесь задействованы 1-2 штырька цоколя).
Специалисты компании LIGHT HOUSE советуют перед тем, как переделывать свою лампу, прочесть схему подключения, которая приведена либо на корпусе изделия, либо в паспорте.
Самой распространённой до сих пор является лампа Т8, фаза и ноль к ней подводятся с разных сторон. Именно на ее примере мы и разберем процесс модификации.
Как подключить светодиодную лампу с двумя проводами. Подключение осветительного прибора из светодиодов к бытовой электросети
Решая проблему, как светодиодный светильник подключить к сети 220 В, необходимо учесть несколько важных условий. Легче всего это сделать в квартире (в доме, на даче), где проводка уже имеется. Если ее нужно прокладывать, требуется умение составлять самые простые схемы, выбирать и протягивать провода. При самостоятельной установке важно выбрать место так, чтобы поблизости не было отопительных приборов и других нагревающихся поверхностей. Вокруг радиатора пространство должно быть свободное.
Как подключить потолочный светильник со светодиодами к выключателю? Главное в этом процессе не спутать фазу с нулем. К выключателю подводится фаза (подключается/отключается при нажатии на клавишу), что позволяет в будущем менять лампу или патрон, не обесточивая помещение. Для подключения осветительных приборов из светодиодов используется несколько схем.
Посмотрите полезное
Последовательное присоединение
Такая схема используется в помещениях без завышенных требований при желании сэкономить провода. Максимальное количество ламп шесть, для проводки используются двойные (реже тройные) провода. У всех осветительных приборов должна быть равная мощность.
Фазный провод от выключателя присоединяется к первому осветительному прибору, потом ко второму и так далее. К последнему источнику света присоединяется ноль от распределительной коробки. Важно не перепутать провода (при проведении вместо фазы нуля источники света всегда находятся под напряжением). В городских квартирах всегда есть заземление, если на даче оно отсутствует, провод протягивается к каждому осветительному прибору.
Последовательно подключаются так же одиночные диоды с обратным напряжением выше 400 В. В схему дополнительно включается диод-выпрямитель на тысячу вольт.
Последовательное подключение нескольких светодиодных источников света используется редко, так как лампочки светятся неравномерно, при выходе из строя одной перестают работать все.

Параллельное присоединение
Параллельное соединение более практичное, поэтому используется чаще. Половина контактов всех приборов освещения подключается к фазе, вторая половина — к нулю. Эта схема позволяет при необходимости быстро и просто присоединить к схеме дополнительный светильник. Если выходит из строя одна лампочка, остальные работают. Неисправность легко найти и устранить.
При параллельном подключении у всех осветительных приборов одинаковая яркость. Недостаток — необходимость в большом количестве кабеля. Он должен быть не горючий, с оболочкой из ПВХ. Особенно важно качество проводки на деревянной даче, поэтому экономить при покупке не желательно.
Кабель, протянутый из коробки, присоединяется к каждому светильнику. Если помещение в большом загородном доме разделено на зоны, осветительные приборы присоединяются по группам. Выключатель в таких условиях должен быть двухклавишный. Отдельные кабели отводятся от каждой из клавиш.

Встречно-параллельное присоединение двух светильников
Если используется эта схема, два светодиода (или любое другое четное количество) горят на одном отрезке синусоиды переменного тока, при этом обеспечивается защита от пробоев. В систему включается гасящий резистор перед источником света, присоединенным к сети последовательно. К нему проходит один отрезок синусоиды, другой направляется на резистор через второй светодиод. Чтобы схема работала, второй источник света подключается в обратном направлении.
Минус такой схемы — огромный объем тепла, выделяемый резистором с большой мощностью. Например, чтобы подключить таким образом 2 источника света на 9 мА, сопротивление резистора не должно быть ниже 24 кОм, мощность 3 Вт. Если светодиодов больше, показатель мощности увеличивается пропорционально параметру тока, возведенному в квадрат. В подобной ситуации эта схема становится неэкономичной. Независимо от уровня сопротивления резистор перегорает, происходит короткое замыкание.
При острой необходимости использовать такое подключение, резистор заменяется неполярным конденсатором с реактивным сопротивлением и напряжением от 400 В. Но в нем после выключения сохраняется заряд, который может быть опасен. Это значит, что конденсатор необходимо разрядить при помощи резистора.
Лучевое подключение
По сути лучевая схема параллельная, ее применяют, если необходимо решить вопрос, как подключить потолочный светильник со светодиодами с несколькими лампами (люстру). Питание подключается отдельно к каждой лампочке.
Чаще всего кабель прокладывается до центра потока так, чтобы расстояние до каждого источника света было одинаковое. К фазе и нулю методом скрутки или при помощи специальных клемм присоединяются одножильные провода и протягиваются к люстре. Быстрее и проще осуществить соединение вторым способом.

Устройство светодиодной лампы Т8. СВЕТОДИОДНЫЕ ЛАМПЫ Т8
Известный недостаток большинства светодиодных ламп – узкая диаграмма направленности света, практически полностью устранён в светодиодных трубках Т8. Данная модель LED ламп, внешне является полной копией стандартных трубчатых люминисцентных ламп, используемых на производстве и учреждениях. Использование новых светодиодных ламп т8, позволит абсолютно без всяких переделок светильника, установить новое, гораздо более долговечное и экономичное освещение. Для этого надо всего лишь удалить стартер, как показано на схеме ниже. Представляем несколько основных моделей светодиодных ламп т8, отличающихся количеством установленных в них led элементов, а соответственно и яркостью создаваемого освещения.
Светодиодная лампа т8 144LEDs, характеристики и цена:
– Диаметр 26мм
– Длинна 600мм
– Мощность потребления 9 ватт
– Количество светодиодов 144
– Тип светодиодов SMD 3528
– Светоизлучение 720 люмен
– Напряжение сети 100-240В
– Цену уточняйте в магазинах.
Светодиодная лампа т8 168LEDs, характеристики и цена:
– Диаметр 26мм
– Длинна 600мм
– Мощность потребления 10 ватт
– Количество светодиодов 168
– Тип светодиодов SMD 3528
– Светоизлучение 800 люмен
– Напряжение сети 100-240В
– Цену уточняйте в магазинах.
Светодиодная лампа т8 216LEDs, характеристики и цена:
– Диаметр 26мм
– Длинна 900мм
– Мощность потребления 14 ватт
– Количество светодиодов 216
– Тип светодиодов SMD 3528
– Светоизлучение 1100 люмен
– Напряжение сети 100-240В
– Цену уточняйте в магазинах.
Светодиодная лампа т8 288LEDs, характеристики и цена:
– Диаметр 26мм
– Длинна 1200мм
– Мощность потребления 18 ватт
– Количество светодиодов 288
– Тип светодиодов SMD 3528
– Светоизлучение 1400 люмен
– Напряжение сети 100-240В
– Цену уточняйте в магазинах.
Светодиодная лампа т8 324LEDs, характеристики и цена:
– Диаметр 26мм
– Длинна 1200мм
– Мощность потребления 20 ватт
– Количество светодиодов 324
– Тип светодиодов SMD 3528
– Светоизлучение 1600 люмен
– Напряжение сети 100-240В
– Цену уточняйте в магазинах.
Перед покупкой такой лампы, обращайте внимание на длинну вашего светильника, так как в продаже есть модели разного размера. Так-же Т8 лампы выпускаются с прозрачной пластиковой защитной крышкой и матовой. Для уменьшения потерь света рекомендуем покупать именно прозрачные. Цена на данный момент составляет примерно 30-50 долларов.
Известный недостаток большинства светодиодных ламп – узкая диаграмма направленности света, практически полностью устранён в светодиодных трубках Т8.
Данная модель LED ламп, внешне является полной копией стандартных трубчатых люминисцентных ламп, используемых на производстве и учреждениях.
Использование новых светодиодных ламп т8, позволит абсолютно без всяких переделок светильника, установить новое, гораздо более долговечное и экономичное освещение.
Для этого надо всего лишь удалить стартер, как показано на схеме ниже.
Модели светодиодных ламп Т8
-
Светодиодная лампа т8 144LEDs
Характеристики и цена:
- Цену уточняйте в магазинах.
-
Светодиодная лампа т8 168LEDs
Характеристики и цена:
- Характеристики: [insert characteristics here]
- Цену уточняйте в магазинах.
-
Светодиодная лампа т8 216LEDs
Характеристики и цена:
- Характеристики: [insert characteristics here]
- Цену уточняйте в магазинах.
-
Светодиодная лампа т8 288LEDs
Характеристики и цена:
- Характеристики: [insert characteristics here]
- Цену уточняйте в магазинах.
-
Светодиодная лампа т8 324LEDs
Характеристики и цена:
- Характеристики: [insert characteristics here]
- Цену уточняйте в магазинах.
Перед покупкой такой лампы, обращайте внимание на длинну вашего светильника, так как в продаже есть модели разного размера.
Так-же Т8 лампы выпускаются с прозрачной пластиковой защитной крышкой и матовой. Для уменьшения потерь света рекомендуем покупать именно прозрачные.
Цена на данный момент составляет примерно 30-50 долларов.
Подключение светодиодной лампы Т8. Схема подключения светодиодных трубок Т8
Светодиодные трубки Т8 с каждым годом становятся более доступными. При новом строительстве можно использовать готовые светильники со светодиодными трубками Т8, а при реконструкции есть возможность модернизировать существующие люминесцентные.В одной из последних статей я считал экономический эффект замены люминесцентных ламп на светодиодные трубки Т8. Рассмотрим как подключаются светодиодные трубки.
Чтобы упростить замену люминесцентных ламп типа Т8 на светодиодные трубки Т8, производители сделали у светодиодных трубок такой же цоколь (G13) как и у люминесцентных, хоть и для включения светодиодных трубок требуется лишь 2 контакта, а не 4.
Схема подключения светодиодных трубок Т8 очень простая и ничем не отличается от схемы подключения обычной лампы накаливания.

Схема подключения светодиодных трубок Т8
Для включения светодиодной трубки достаточно подать напряжение на лампу не используя никаких дополнительных устройств. В отличие от люминесцентной лампы, светодиодной лампе не требуется пускорегулирующая аппаратура (ПРА).
Если у вас имеются люминесцентные светильники с лампами Т8, то после небольшой модернизации данные светильники возможно эксплуатировать со светодиодными трубками.
Схема подключения светодиодных трубок Т8 вместо люминесцентных ламп представлена ниже:

Схема подключения светодиодных трубок Т8 вместо люминесцентных ламп
Из существующего люминесцентного светильника необходимо извлечь стартер и закоротить дроссель, т.е. требуется обеспечить подачу напряжения напрямую на светодиодную лампу.
В любой момент возможно произвести обратную модернизацию и использовать те же люминесцентные лампы, не прибегая к существенным финансовым затратам.
Для больших предприятий дешевле заказывать светодиодные лампочки оптом.
Советую почитать:
комментария 34 “Схема подключения светодиодных трубок Т8”
Там по 2 вывода с каждой стороны. По одному свободны. Они там просто так, чтобы в крепление для люминесцентной подходили?
По всей видимости сделали просто, чтобы цоколи были одинаковые и работы по замене ламп свести к минимуму.
Вообще лампы ретрофит для ЛПО/ЛВО разные бывают, прямого включения, дросельного, кроме того у некоторых производителей светодиоды находятся с одной стороны трубки, поэтому тип подключения может меняться для разных цоколей (в зависимости от того, как устанавливается в цоколь Люм лампа) снизу, светильника (если смотреть с пола на потолок), или сбоку.
А как заменить люминесцентную лампу на светодиодную в дежурных светильниках с аккумуляторами?
Дешевле будет заменить светильник
Конструкцию нужно смотреть. Возможно есть такие же трубки и на 12В. В данном случае светодиодная трубка подключается на 220В, а от аккумулятора она не будет работать.
Советую отсоединить провода от дросселя, а потом перемкнуть — у старых др-ей может пробиваться изоляция и — УЗО будет выбиваться.Лечитесь от гемороя заблаговременно.
Лампы люминисцентные на 18 Вт белого хол. свечения какой примерно мощности светодиодной будут соответствовать?
9-10 Вт. Нужно еще обращать внимание на световой поток. При одинаковой мощности у разных ламп он может быть отличаться.
А если подключить такую лампу без модернизации светильника, что из этого выйдет?
Ничего не выйдет)) Нужно исключить стартер и дроссель, ничего сложного.
Подключил по схеме, светит, но мигает как на дискотеке, какой выход?
Дроссель закоротили, стартер убрали? Подключите лампу непосредственно в любую розетку, тогда будет ясно, что лампа в порядке, а проблему нужно искать в светильнике.
Мигать может из-за встроенной в выключатель подстветки. От подсветки прийдётся отказаться.
Спасибо за хороший совет!
Подскажите, имеются ли в лампах Т8 конденсатор, варистор и предохранитель? И что будет с лампой при подаче на нее бОльшего напряжения чем заявлено, будет ли она работоспособна в последующем?
Вряд ли там имеется какая-нибудь защита.
Если есть опасность повышенного напряжения установите стабилизатор напряжения или УЗМ-51М.
Юрий, например у светодиодных ламп фирмы ASD диапазон входного напряжения 160-260 В, да и в принципе светодиодная техника в последнее время делает достаточно широкий диапазон входного напряжения, дабы исключить выход из строя из-за перепадов напряжения!
READ Как подключить карты для майнинга
Что общего между «светодиодными трубками» и «люминесцентными лампами»?
Они выполняют одни и те же задачи: используются как источник света.
Схема подключения светодиодной лампы прямого включения 220В. Схемы подключения
Прежде чем перейти к модернизации светильника с заменой люминесцентных ламп Т8 на светодиодные, сначала нужно как следует разобраться со схемами. Все люминесцентные светильники подключаются по одному из двух вариантов:
В растровых потолочных светильниках 4 люминесцентных трубки подключаются к 2 ЭПРА, каждый из которых обеспечивает работу двух ламп или к комбинированному ПРА, включающему 4 стартера, 2 дросселя и 1 конденсатор.
Схема подключения светодиодной лампы Т8 не содержит никаких дополнительных элементов (Рис.3).Стабилизированный блок питания (драйвер) светодиодов, уже встроен внутри корпуса. Вместе с ним под стеклянным или пластиковым рассеивателем находится печатная плата со светодиодами, закреплённая на алюминиевом радиаторе. Напряжение питания 220В может поступать на драйвер через штырьки цоколя, как с одной стороны (обычно на изделиях украинского производства), так и с обеих сторон. В первом случае штырьки, расположенные с другой стороны, выполняют функцию крепежа. Во втором случае с каждой стороны может быть задействован 1 или 2 штырька. Поэтому прежде чем модифицировать светильник, нужно внимательно изучить схему подключения, приведенную на корпусе LED-лампы или в документации к ней. Наиболее распространенными являются светодиодные лампы Т8 с подведением фазы и ноля с разных сторон, поэтому переделка светильника будет рассмотрена именно на таком варианте.
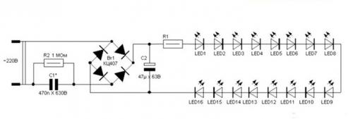
Как подключить светодиодный светильник без драйвера. Способы питания без драйвера) ЭКСПЕРИМЕНТЫ)))
Давно пора создать эту тему!) Начнёмс!))
Почему так не лежит к душе драйвер? Ведь по сути это идеальный источник питания для светодиода!
Дело в том, что драйвера слишком подгоняют под рамки. Малейшее неподчинение этим рамкам может стоить сгоранию всех рабочих дорогих светодиодов, только потому что был плохой контакт… ..обидно
А контакт может нарушиться случайно по многим причинам: пайка некачественная, контакты окислились от времени и других внешних обстоятельств, нечайно дёрнули и оторвали, или просто один светодиод просто накрылся по какой либо причине, например плохой отвод тепла… перечислять можно много
все знают каких сюрпризов можно ждать в русских жилищных и офицных социальных условиях)))
Покупая драйвер, мы поджимаемся под рамки: что нужно определённое кол-во светодиодов, определённо подключенных, добиваясь определённого тока. Нельзя свободно изменять конструктивные особенности наших осветительных приборов, легко манипулируя кол-вом светиков и их подключением.
Также эти драйвера дают значительно большие высокочастотные помехи в электросеть, влияющие на другие приборы, бытуют такое мнение. Также говорят что высокочастотный сигнал в них также негативно влияет на состояние здоровья человека. Некоторые говорят что начинает болеть голова…ухудшается настроение.. Но это я распространяю слух конечно..
Тем не менее идём дальше. Светодиоды должны быть идеально подключены, в момент, до включения драйвера. Т. к. если подключить сначало драйвер, а потом светики, то можно со светиками попрощаться. Ошибки здесь не простительны.. Ещё при питании стабильным током в драйвере, напряжение может прыгать до значимых значений, которое может здорово тряхануть при случайном задевании рукой открытых частей. Появляется проблема в обеспечении надёжной изоляции открытых частей и может даже заземлении. Ещё становится невозможным менять яркость светодиодов (диммировать), при использовании обычных драйверов. Цена драйвера раза в 3 и более выше блока питания стабилизированного напряжения такой-же мощности. Здесь буду оставлять свои мысли по обеспечению питания без драйвера, и разбирать все недостатки и преимущества всех способов. С удовольствием хотелось бы посмотреть способы форумчан. Вместе поугарать ес. что)
Свободы хочется, которую относительно даёт блок питания стабилизированного напряжения и конечно-же сам великолепный светодиод, изобретённый РУССКИМ человеком!)
ВСЕ ПРЕДЪЯВЛЕННЫЕ ЗДЕСЬ СПОСОБЫ МОЖНО ПРИМЕНЯТЬ ТОЛЬКО НА СВОЙ СТРАХ И РИСК!!!