Как подключить несколько светильников армстронг. Светильники Operlux
- Как подключить несколько светильников армстронг. Светильники Operlux
- Как подключить светодиодный светильник с двумя проводами. Подключение осветительного прибора из светодиодов к бытовой электросети
- Установка светильников армстронг. Порядок установки
- Как подключить светодиодный светильник к вилке. Подключение светильников на 220 В
- Подключение потолочных светодиодных светильников. Расчет мощности и количества светильников
Как подключить несколько светильников армстронг. Светильники Operlux
Светодиодный светильник серии Operluxe с рассеивателем OPAL. В наличии на складе.Светильники Operlux 595×595 монтируются в подвесные потолки типа «Армстронг». Светильники комплектуются пластиковым рассеивателем OPAL или рассеивателем в металлической рамке opal/R. Светильники предназначены для работы в сети переменного тока с номинальным напряжением 220 В±10 %, частоты 50-60 Гц. Устойчивость к механическим воздействиям по группе М1 по ГОСТ 17516.1-90. Коэффициент мощности – более 0,95. Класс светораспределения по ГОСТ Р 54350 – П. Тип КСС – Д. Коэффициент пульсации – менее 1%. Цветовая температура – 4000К, 4500 К, 5000 К. Индекс цветопередачи Ra – более 80. Гарантия на светильники, укомплектованные источниками питания LED HELVAR, составляет 5 лет, в остальных случаях – 3 года.

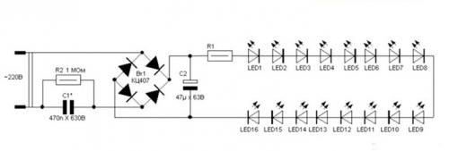
Как подключить светодиодный светильник с двумя проводами. Подключение осветительного прибора из светодиодов к бытовой электросети
Решая проблему, как светодиодный светильник подключить к сети 220 В, необходимо учесть несколько важных условий. Легче всего это сделать в квартире (в доме, на даче), где проводка уже имеется. Если ее нужно прокладывать, требуется умение составлять самые простые схемы, выбирать и протягивать провода. При самостоятельной установке важно выбрать место так, чтобы поблизости не было отопительных приборов и других нагревающихся поверхностей. Вокруг радиатора пространство должно быть свободное.
Как подключить потолочный светильник со светодиодами к выключателю? Главное в этом процессе не спутать фазу с нулем. К выключателю подводится фаза (подключается/отключается при нажатии на клавишу), что позволяет в будущем менять лампу или патрон, не обесточивая помещение. Для подключения осветительных приборов из светодиодов используется несколько схем.
Посмотрите полезное
Последовательное присоединение
Такая схема используется в помещениях без завышенных требований при желании сэкономить провода. Максимальное количество ламп шесть, для проводки используются двойные (реже тройные) провода. У всех осветительных приборов должна быть равная мощность.
Фазный провод от выключателя присоединяется к первому осветительному прибору, потом ко второму и так далее. К последнему источнику света присоединяется ноль от распределительной коробки. Важно не перепутать провода (при проведении вместо фазы нуля источники света всегда находятся под напряжением). В городских квартирах всегда есть заземление, если на даче оно отсутствует, провод протягивается к каждому осветительному прибору.
Последовательно подключаются так же одиночные диоды с обратным напряжением выше 400 В. В схему дополнительно включается диод-выпрямитель на тысячу вольт.
Последовательное подключение нескольких светодиодных источников света используется редко, так как лампочки светятся неравномерно, при выходе из строя одной перестают работать все.

Параллельное присоединение
Параллельное соединение более практичное, поэтому используется чаще. Половина контактов всех приборов освещения подключается к фазе, вторая половина — к нулю. Эта схема позволяет при необходимости быстро и просто присоединить к схеме дополнительный светильник. Если выходит из строя одна лампочка, остальные работают. Неисправность легко найти и устранить.
При параллельном подключении у всех осветительных приборов одинаковая яркость. Недостаток — необходимость в большом количестве кабеля. Он должен быть не горючий, с оболочкой из ПВХ. Особенно важно качество проводки на деревянной даче, поэтому экономить при покупке не желательно.
Кабель, протянутый из коробки, присоединяется к каждому светильнику. Если помещение в большом загородном доме разделено на зоны, осветительные приборы присоединяются по группам. Выключатель в таких условиях должен быть двухклавишный. Отдельные кабели отводятся от каждой из клавиш.

Встречно-параллельное присоединение двух светильников
Если используется эта схема, два светодиода (или любое другое четное количество) горят на одном отрезке синусоиды переменного тока, при этом обеспечивается защита от пробоев. В систему включается гасящий резистор перед источником света, присоединенным к сети последовательно. К нему проходит один отрезок синусоиды, другой направляется на резистор через второй светодиод. Чтобы схема работала, второй источник света подключается в обратном направлении.
Минус такой схемы — огромный объем тепла, выделяемый резистором с большой мощностью. Например, чтобы подключить таким образом 2 источника света на 9 мА, сопротивление резистора не должно быть ниже 24 кОм, мощность 3 Вт. Если светодиодов больше, показатель мощности увеличивается пропорционально параметру тока, возведенному в квадрат. В подобной ситуации эта схема становится неэкономичной. Независимо от уровня сопротивления резистор перегорает, происходит короткое замыкание.
При острой необходимости использовать такое подключение, резистор заменяется неполярным конденсатором с реактивным сопротивлением и напряжением от 400 В. Но в нем после выключения сохраняется заряд, который может быть опасен. Это значит, что конденсатор необходимо разрядить при помощи резистора.
Лучевое подключение
По сути лучевая схема параллельная, ее применяют, если необходимо решить вопрос, как подключить потолочный светильник со светодиодами с несколькими лампами (люстру). Питание подключается отдельно к каждой лампочке.
Чаще всего кабель прокладывается до центра потока так, чтобы расстояние до каждого источника света было одинаковое. К фазе и нулю методом скрутки или при помощи специальных клемм присоединяются одножильные провода и протягиваются к люстре. Быстрее и проще осуществить соединение вторым способом.
Решая проблему, как светодиодный светильник подключить к сети 220 В, необходимо учесть несколько важных условий.
Легче всего это сделать в квартире (в доме, на даче), где проводка уже имеется. Если ее нужно прокладывать, требуется умение составлять самые простые схемы, выбирать и протягивать провода.
При самостоятельной установке важно выбрать место так, чтобы поблизости не было отопительных приборов и других нагревающихся поверхностей. Вокруг радиатора пространство должно быть свободное.
Как подключить потолочный светильник со светодиодами к выключателю?
Главное в этом процессе не спутать фазу с нулем. К выключателю подводится фаза (подключается/отключается при нажатии на клавишу), что позволяет в будущем менять лампу или патрон, не обесточивая помещение.
Для подключения осветительных приборов из светодиодов используется несколько схем.
Схема для помещений без высоких требований
Такая схема используется в помещениях без высоких требований при желании сэкономить провода. Максимальное количество ламп шесть, для проводки используются двойные (реже тройные) провода. У всех осветительных приборов должна быть равная мощность.
Фазный провод от выключателя присоединяется к первому осветительному прибору, потом ко второму и так далее. К последнему источнику света присоединяется ноль от распределительной коробки.
Важно не перепутать провода (при проведении вместо фазы нуля источники света всегда находятся под напряжением).
В городских квартирах всегда есть заземление, если на даче оно отсутствует, провод протягивается к каждому осветительному прибору.

Установка светильников армстронг. Порядок установки
Во время монтажа каркаса под «Армстронг» или «Грильято» необходимо предусмотреть минимальное допустимое расстояние между планками каркаса и потолком в 20 см. В противном случае монтаж светильника придется производить одновременно с набором каркаса, а такой метод не допускает легкого доступа и простого обслуживания, и поэтому не приемлем.
Светильник Армстронг (на фото ниже) легко узнаваем, это конструкция квадратной формы на четыре светоизлучателя (лампы), прикрытых рассеивающей пленкой или же отражающей решеткой.
Как правило, установка светильников Армстронг не вызывает проблем, поскольку размер окна ячейки и габариты устройств совпадают. При осмотре конструкции подвесного потолка необходимо визуально ознакомится с элементами подвеса и их расположения, поскольку бывают случаи «лютой» экономии исполнителями монтажа.
Допустимо когда на две ячейки одно крепление к потолку, на квадрат из четырех ячеек не меньше четырех. В противном случае во время установки необходимо дополнительно закрепить светильник к потолку, для минимизации его веса на подвесную конструкцию.
Перед тем, как производить монтаж светильника Армстронг, с осветительной арматуры снимают рассеиватель, оставляя корпус с пусковой аппаратурой. В таком состоянии им легче манипулировать при установке. В выбранную ячейку, под углом по диагонали вставляют светильник. После того как он полностью оказался за потолком его проворачивают по горизонтали и совмещают с ячейкой.
Как установить светильник в подвесной потолок, вы можете узнать из этого
https://youtube.com/watch?v=YGExpbtJHLY
Помимо этого рекомендуем посмотреть, как ровно расположить светильники типа Армстронг на потолке:
Кроме растровых еще применяют встраиваемые или точечные источники освещения, для их размещения вырезаются отверстия в декоративных плитах. Такое решение хорошо подойдет для не больших помещений с низким потолком, или мест, требующих дополнительного потока света.
Для установки светильника Армстронг под натяжной потолок необходимо заранее произвести монтаж специальной арматуры для крепления осветительных приборов. Поскольку после монтажа натяжного потолка исправить что либо будет практически невозможно, как в случае с модульными потолками «Армстронг» или «Грильято», где количество и размещение элементов легко варьируется.
Как подключить светодиодный светильник к вилке. Подключение светильников на 220 В
В отличие от стандартной лампы накаливания, светодиодный светильник требует питания только постоянным током. Поэтому чтобы подключить его от бытовой сети в 220В требуется специальный преобразовательный блок. Приборы, выпускаемые современными производителями, рассчитанные на такой номинал, имеют в своем составе преобразователь, поэтому их можно включать напрямую в розетку.
Существуют три способа, как подключить светодиодный светильники к бытовой сети в 220 В:
- Последовательный.
- Параллельный.
- Лучевой.
У каждого из них есть свои особенности монтажа, плюсы и минусы в применении в различных условиях и технические параметры. Рассмотрим их подробно.
Последовательный
Последовательная схема подключения стандартных светодиодных ламп, предназначенных для сети в 220В, предполагает соединение всех светильников между собой одним проводником. Суть в том, что в начало этой цепочки подается фаза, а к ее концу – ноль. Таким способом она замыкается и каждый из приборов работает в общей системе.
Преимущество такого последовательного подключения заключается в возможности существенно сэкономить на проводке. Для соединения всех светильников требуется одножильный провод, а если в сети 220В используется заземление, то двухжильный, вместо трехжильного кабеля. Недостаток – если одна из люстр перегорит, выключится вся схема, и потребуется поиск вышедшего из строя элемента для его ремонта или замены.
Алгоритм последовательного подключения светодиодного светильника:
- Выполнить монтаж светильников в соответствии с планом.
- Подключить электроприборы освещения проводкой по последовательному способу.
- Подвести жилу с фазой от выключателя к первой люстре.
- Проложить и от распределительной коробки нулевой проводник к последнему осветительному прибору.
- Проверить надежность и правильность всех соединений проводки, завершить установку электрооборудования.
- Подключить напряжение сети 220В, проверить исправность приборов.
Фазный провод к выключателю и нулевой к последнему светильнику в схеме может подходить как напрямую от электрощитка, так и от ближайшей распределительной коробки.
При выборе последовательного метода следует учитывать общее распределение напряжения на каждый источник света. По этой причине в такую систему не ставят более шести светильников, так как яркость их будет значительно снижаться.
Важно! Нельзя путать правило подключения фазы и нуля в выше приведенном методе. Если подсоединить к последнему прибору фазу, а от выключателя ноль, то вся схема светильников будет находиться под напряжением 220В, что далеко не безопасно в бытовых условиях!
Параллельный
В отличие от вышеописанного случая, параллельная схема требует подключать к каждому светодиодному светильнику два проводника – фазу и ноль (или три, если есть заземление) от сети 220В. Недостатком этого способа является повышенный расход кабеля или провода. С другой стороны – каждый прибор освещения будет проявлять заявленную изготовителем световую силу.
Чтобы подключить светодиодный светильник по параллельной цепочке от 220В, нужно выполнять следующий ряд действий:
- Выполнить установку всех осветительных приборов по ранее разработанной планировке.
- Подвести к первому фонарю провод от выключателя с фазой, затем от этого проводника подвести к следующему и т. д. – до последнего.
- Аналогичным образом от распределительной коробки нужно подключить нулевую жилу и, если есть, заземляющий проводник.
- Фаза к выключателю и ноль и земля к светильникам подводятся либо от распредмодуля, либо от электрощитка.
- Завершить монтажные процедуры, проверить правильность и надежность собранной электросхемы.
- Включить сеть 220В и проверить работоспособность установленных приборов.
Если в одном помещении существует несколько функциональных областей, устанавливать светодиодные светильники лучше группами. Для этого необходимо подключить их через двух- или трехклавишный выключатель.
Лучевой
Лучевое подключение – это частная разновидность параллельной системы. Чтобы подключить светодиодные светильники этим способом, необходимо в центр расположения приборов (например, когда они размещены по периметру зала) подвести кабель. Далее от распредмодуля к каждой люстре или их группе подводится провод с фазой, нулем и, если требуется, землей.
В начале главного кабеля устанавливается выключатель для управления группой светильников. Если планируется управлять каждой из них отдельно, схема существенно усложняется – добавляются проводники, выключатели. В случае, когда необходимо менять яркость, время и цвет, в систему также можно монтировать диммеры.
Подключение потолочных светодиодных светильников. Расчет мощности и количества светильников
При выборе мощности светильника, следует учесть размеры комнаты, цвет мебели. Подбирать светильник следует исходя из своих вкусовых качеств. С помощью таблицы можно узнать, какая мощность светильников понадобится. Расчеты производились исходя из значений светового потока, типа лампы.
| Таблица для расчета мощности и количества светильников в зависимости от вида помещения | ||||
|---|---|---|---|---|
| Вид помещения | Мощность, необходимая для освещения 1м2площади помещения в зависимости от типа лампы | |||
| Накаливания | Галогеновая | Энерго сберегающая | Светодиодная | |
| Детская | 40 | 30 | 10 | 5 |
| Кухня | 30 | 25 | 7 | 4 |
| Гостиная, ванная, санузел | 25 | 20 | 6 | 3 |
| Спальня, прихожая, коридор | 20 | 15 | 5 | 2 |
| Подсобные помещения | 10 | 7 | 2 | 1 |
В коридоре планировалась установка точечных светильников. Вот расчеты, которые были произведены.
Коридор выглядит как буква Т. Площадь участка 4,5 м2,2,8 м2. Общая площадь равна 7,3 м2. Необходимая мощность светильников должна составить 15,6 Вт (7,3?2). Высота потолков в комнате 2,75 м. Стены задумывалось покрасить в цвет крем-брюле. Так как коридор имеет сложную форму, необходимо провести монтаж 4 светильников, лампы которых будут иметь мощность с запасом 5, Вт. Питание 220 В, штыревой цоколь GU5,3. Такой цоколь пользуется популярность из-за малых габаритов, что позволяет устанавливать на малой высоте межпотолочного пространства.

Стены коридора были украшены картинами, которые планировалось оставить после ремонта. Исходя из этого, я выбрал лампы белого цвета, цветовая температура которых равна 4000 К. Если вы хотите добиться теплого света, вам подойдут лампы, имеющие цветовую температуру 2700 К. Заметьте, освещение комнаты не всегда должно состоять из потолочных светильников. Лучше уменьшить мощность светильников и расположить на стене пару настенных.
Если же имеется локальное освещение, то потолок можно осветить светодиодной лентой. Все ограничивается вашей фантазией.