Светильник-ночник из светодиодной ленты и оргстекла. Уютный свет в каждом доме
- Светильник-ночник из светодиодной ленты и оргстекла. Уютный свет в каждом доме
- Светильник из оргстекла своими руками. Самостоятельное создание конструкции
- Как сделать 3d ночник. Как сделать ночник своими руками
- Рамка из оргстекла своими руками. Как изготовить трек на стекле самостоятельно
- Рассеиватель из оргстекла своими руками. Небесполезная деталь
- Люстра из оргстекла своими руками. Небесполезная деталь
Светильник-ночник из светодиодной ленты и оргстекла. Уютный свет в каждом доме
Оргстекло является уникальным материалом, распространяющим и преломляющим потоки света. Этим свойством пользуются при создании светящегося оргстекла своими руками. Интересная и красивая идея основана на расположении светодиодной лампы в торце оргстекла. Лучи, отражающиеся от краев, распространяются по поверхности полотна и создают интересные эффекты. Например, гравировка на поверхности стекла сформирует линию, повторяющую изображение.
Подсветка оргстекла светодиодами – удобное и красивое интерьерное решение, использующее современные технологии. Рассеянный поток света приятен глазам. К тому же, это очень практичный и экономный вариант освещения, поскольку подсветка оргстекла отличается минимальным потреблением электроэнергии. И такой способ бывает иногда единственной возможностью для достижения нужного эффекта.
В интерьере торцевая подсветка оргстекла своими руками используется из-за необычного вида такого декора, создающего поток рассеянного света. Эстетика здесь очень удачно сочетается с функциональностью. Картина, светящаяся изнутри, выглядит очень впечатляюще. Лучи, попадающие в оргстекло, преломляются в линиях гравировки и мягким свечением воспроизводят контуры рисунка.
Плексиглас – вид оргстекла для светодиодной подсветки лайтбоксов и рекламных панно. Бесцветные частицы в его составе рассеивают лучи, идущие в торцовую часть листа. При максимальной мощности создается равномерное освещение поверхности без искажений и затемнений.
Производители оргстекла выпускают также акриловые листы, способные отлично рассеивать световые лучи, направленные с торцов полотна. Равномерное рассеивание по поверхности листа обеспечено благодаря специальным светоотражающим микрочастицам. В итоге они функционируют в качестве нескольких источников света.
Места применения
Светодиодами подсвечиваются конструкции разного назначения, например:
- полки,
- потолочные панели,
- фальш-окна,
- лестничные перила,
- кухонные фартуки и т. д.
В кинозалах и квартирах удобно использовать фреймлайт — световое панно, куда можно вставлять постеры с любыми изображениями, которые можно очень просто заменять. Зимний лес в одно мгновение превращается в летнюю улицу или легко сменяется осенним парком. Фреймлайтами очень удобно пользоваться, поскольку они оснащены клик-профилем.
Чтобы добиться хорошего светопропускания, постер нужно распечатывать на бэклит-пленке. Сделать конструкцию более жесткой поможет один толстый задник, который в нее вставляют.
Предметы, необходимые для изготовления торцевой подсветки
Для начала нужно разработать эскиз картинки и приготовить инструменты и материалы. Понадобятся:
- оргстекло,
- деревянные бруски для установки на стену, гвоздики, болты и гайки,
- светодиоды, отсек для трех миниатюрных батареек, резисторы, электропровода и термоусадочные трубки,
- клей, краска, самоклеющаяся бумага,
- карандаш, линейка, острый нож,
- паяльник, дрель и кусачки.
Светильник из оргстекла своими руками. Самостоятельное создание конструкции
Что нужно для изготовления светильника из оргстекла? Конечно же, хорошая идея и определенные навыки в создании тех или иных изделий. Для этого потребуется сосуд из оргстекла средних размеров, трафарет, ножницы, копировальная бумага, карандаш, распылитель и сама краска, патрон и провод с выключателем.
Где можно взять трафарет? Его можно приобрести, размеры различны, как и стиль исполнения. Однако можно их сделать и своими руками. Для этого используется несколько листов виниловой бумаги. На них нужно скопировать трафарет, используя копировальную бумагу. Найти трафарет можно в Сети, затем распечатав его.

Далее вырезаем трафарет по узору, чтобы образовалось 4 листа, соединенных между собой. После этого снимаем с тыльной стороны защитную пленку, приклеиваем бумагу из винила на светильник. Следует добиться равномерности приклеивания. Чтобы так было, нужен не только опыт в наклеивании (поэтому предварительно рекомендуется потренироваться), но и стоит позаботиться о чистоте и сухости поверхности.
Дальше займемся покраской оргстекла. Для этого стоит использовать распылитель. Делать нанесение нужно тонкими слоями. Их количество определяется визуальной оценкой качества нанесения после каждого слоя.
Конечно же, цвет краски нужно подобрать гармонирующий с интерьером.

Остается только подождать, пока высохнет краска. На это потребуется от получаса до суток. Теперь можно снимать трафарет, однако делать это нужно аккуратно, чтобы не поцарапать созданную поверхность.
Дальше можно подсоединять патрон, чтобы проверить прибор в действии.
Как сделать 3d ночник. Как сделать ночник своими руками
Ночные настольные светильники и бра, помимо своего прямого функционального назначения, играют важную роль в дизайне интерьера комнаты. При этом самостоятельно изготовленные конструкции будут выгодно отличаться от массовых образцов своей оригинальностью.
Расскажем подробно, как сделать ночник своими руками из подручных материалов (например, фанеры, дисков, бумаги, капрона и т.д.). Но прежде, чем переходить к оформлению, начнем с главного — электрической схемы устройства.
Варианты схем ночников
Если в качестве источников света в ночниках или бра планируется устанавливать лампы под цоколь Е27 или Е14, то будет применяться стандартная схема подключения, которая на столько простая, что не нуждается в пояснении.

Простейшая схема подключения лампы в светильнике
Регулирование уровня светового потока — довольно полезная функция для ночника, пример реализации такого устройства (диммера) показан на рисунке.

Устройство диммера
Используемые элементы:
- D1 – динистор DB3;
- D2 — тринистор ВТА12;
Резисторы и конденсатор:
- R1 – номинал 500 кОм;
- R2 — 4,7 кОм, во многих подобных схемах указана мощность резистора 0,125 Вт, что приводит к перегреву, учитывая, что данное сопротивление используется как гасящееся, 2 Вт — минимум для него;
- С – емкость 0,1 мКф 250 В.
Заметим, что при реализации данной схемы возможно мерцание лампы и скачкообразная регулировка яркости. Как правило, это указывает на проблемы с динистором. Собственно, схема далека от совершенства и приведена в качестве примера простейшей реализации.
Необходимо заметить, что регулировать уровень освещения можно только в том случае, если используется лампа накаливания. Учитывая мощность такого источника освещения, реализация будет нерентабельной. Альтернатива – светодиоды.
Схемы на светодиодах
Сделать своими руками светодиодный ночник не так сложно, как кажется, тем более, что миниатюрность такого источника позволяет вмонтировать его в практически любой красивый декоративный абажур, например, домик из дерева. Пример такого исполнения показан на рисунке.

Креативный детский ночник светильник, сделанный своими руками в домашних условиях из светодиодов и бумаги
Схема светильника из светодиодов будет немного сложнее, чем у ночника, где используется лампа накаливания. Пример такой реализации показан на рисунке.

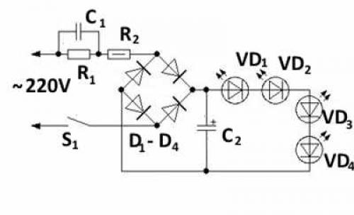
Бестрансформаторная схема ночника на светодиодах
Для представленной на рисунке схемы потребуются следующие радиодетали:
- D1 — D4 – можно использовать любые выпрямительные диоды, рассчитанные под минимальное напряжение 400 В и ток 400 мА;
- VD1 – VD4 – любой тип сверхярких светодиодов, рассчитанных под напряжение от 3,0 до 3,6 В;
- C1 – неполярный конденсатор с емкостью 0,15 мкФ и напряжением не менее 250 В;
- С2 – конденсатор электролитического типа 10 мкФ 50 В;
- Резисторы: R1 с номиналом 680 кОм, R2 – 560 Ом.
- S1 – любой выключатель.
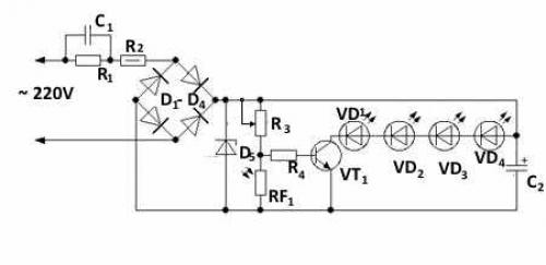
Можно сделать так, чтобы ночник автоматически включался, когда в комнате становится темно. Для этого потребуется незначительно усложнить схему, добавив в нее ключ на базе транзистора, как это показано на рисунке.

Ночник с автоматическим включением при наступлении темного времени суток
Добавленные в схему элементы:
- D5 – любой стабилитрон под напряжение 15 В;
- RF1 – фоторезистор, например, ФСК -1;
- R3 – переменный резистор 470 кОм, регулирует порог срабатывания;
- R4 – 2,2 кОм;
- VT1 – транзистор КТ315Г или аналог.
Заметим, для нормальной работы схемы необходимо сделать так, чтобы на фоторезистор не попадал свет от ночника.
https://www.youtube.com/watch?v=iMuHItEKTnI
Зарядка для телефона в качестве блока питания
Если у вас осталась зарядка от старого телефона, то ее можно приспособить для питания светодиодного ночника. В этом случае необходимо будет поставить только ограничивающее сопротивление, как это показано на рисунке.

Схема ночника с блоком питания на основе зарядного устройства
Для расчета сопротивления R1 можно воспользоваться формулой, выведенной из закона Ома:
R1=(Uист— Uпотр)/Iпотр;
Пояснение к формуле:
Uист– напряжение источника, у зарядного устройства, как правило, 6 вольт;
Uпотр– потребляемое напряжение, у типичных светодиодов от 2,8 до 3,6 вольт, для расчета необходимо брать минимальное значение, то есть 2,8 В;
Iпотр– потребляемый ток, для одного светодиода порядка 20 мА, соответственно, для трех — будет 60 мА.
Рамка из оргстекла своими руками. Как изготовить трек на стекле самостоятельно
По оценкам различных производителей, за трек-постер мне бы пришлось заплатить от 1400 до 3000 рублей. Внимательно рассмотрев, как сделаны подобные стекла с музыкой, я решил сделать подарок сам. Получилось не только дешевле - отдал за материалы около 300 рублей, но и приятнее. Жена оценила сувенир, сделанный моими руками.
Для поделки понадобится купить подходящий кусок стекла, или рамку для фотографий со стеклом. Необходимо также воспользоваться принтером и приготовить белый или черный перманентный акриловый маркер.
Лаконичная рамка для фото смещает акцент на сам снимок или картину. Если изображение не стандартного размера, найти обрамление для него – задача не из простых, а под заказ может обойтись дорого. В этом мастер-классе мы продемонстрируем вам как просто и быстро без особых затрат сделать большую рамку для фото своими руками.
- фото или картину, которую вы собираетесь поместить в рамку;
- основание рамки из плотного белого картона;
- акриловый лист;
- клей-спрей;
- деревянные доски;
- рулетку;
- карандаш;
- наждачную бумагу;
- угловые скобы;
- саморезы;
- пластиковые поворотные крепления;
- пилу или ножовку;
- столярный клей;
- краску-спрей;
- крюк для крепления картины.
Шаг 1. Подготовьте основание картины. Размер ее будет зависеть от параметров изображения. В данном случае на бумаге формата акрилового листа был распечатан принт. Сама бумага оказалась тонкой и просвечивала. Для этого в качестве подложки использовался плотный белый картон. Просто приложить ее к картону и зафиксировать стеклом не получилось, так как бумага некрасиво заминалась. Пришлось предварительно обработать распечатанный рисунок и подложку клеем в виде спрея.
Шаг 2. Снимите мерки с распечатки или картины.
Шаг 3. Обрежьте доски согласно снятым меркам.
Шаг 4. Концы досок обрежьте под углом 45 градусов. Сложите их в виде рамки, если нужно подгоните и обязательно зашкурьте.
Шаг 5. Соберите рамку, используя столярный клей. Дайте ему схватиться и подсохнуть.
Шаг 6. Скрепите раму металлическими уголками. Зашкурьте поверхность собранного изделия, после полного высыхания клея.
Шаг 7. Окрасьте рамку краской. Цвет ее выбирайте, исходя из общей композиции. В данном случае предпочтение было отдано черному покрытию с матовой фактурой.
Шаг 8. Снимите защитную пленку с акрилового листа. Приложите его к рамке с обратной стороны. Поверх положите заготовленное картонное основание с картиной или фото.
Шаг 9. Саморезами по периметру рамки с изнаночной стороны прикрутите пластиковые поворотные механизмы, которые будут удерживать подложку и акриловое стекло.
Шаг 10. Если рамку вы планируете подвесить на стену, прикрутите соответствующее крепление с обратной ее стороны.
Из оргстекла не только делают остекления или защитные ограждения. Изделия из оргстекла своими руками заменят покупные приспособления. К тому же они устойчивы к повреждениям, чем их стеклянные аналоги. Перед применением рекомендуется изучить преимущества материала и его возможное применение в быту.

Рассеиватель из оргстекла своими руками. Небесполезная деталь
Любые осветительные приборы создают световой поток определенного уровня. Но его можно изменить. Для этих целей и был изобретен рассеиватель. С его помощью можно смоделировать световой поток и сделать освещение более мягким. Наиболее часто рассеиватель используется для модуляции освещения, исходящего от современных экономичных лампочек (светодиодные, люминесцентные, галогеновые и т.д.), вкрученных в светильники.

Светодиодная лампа с рассеивателем
Особое внимание следует уделить светодиодным осветительным приборам. Светодиод дает узконаправленный и чистый свет. Поэтому смотреть на него будет не слишком комфортно. Поэтому такая ситуация подлежит исправлению с помощью рассеивателей. Это нужно делать еще и потому, что такие рекомендации прописаны в СНиП.
Обратите внимание! Исключение в плане модуляции светового потока до оптимального уровня составляют только уличные фонари, а также подсветка архитектурных сооружений.
Рассеиватель в светодиодных светильниках обязан выполнять следующие функции:
- обеспечивать защиту светодиодов (или другого источника света) от воздействий окружающей среды;
- создавать для глаз комфортное и правильное распределение светового потока, испускаемого лампочкой;
- повышать долговечность осветительного изделия;
- повышать стойкость прибора к различного рода химическим воздействиям.
Как видим, невозможно произвести обычную замену люминесцентной лампочки на светодиодный источник света. Здесь обязательно возникает необходимость дополнительно установить рассеиватель. В результате вы своими руками получите экономичный, модернизированный и безвредный светильник, свет которого подходит для комфортного пребывания в помещении во время его работы.
Для многих светильников (например, марки Армстронг, Опал и т.д.) данный элемент изготавливают из оргстекла. Из этого же материала рассеиватель вполне можно изготовить и своими руками в домашних условиях.
Люстра из оргстекла своими руками. Небесполезная деталь
Любые осветительные приборы создают световой поток определенного уровня. Но его можно изменить. Для этих целей и был изобретен рассеиватель. С его помощью можно смоделировать световой поток и сделать освещение более мягким. Наиболее часто рассеиватель используется для модуляции освещения, исходящего от современных экономичных лампочек (светодиодные, люминесцентные, галогеновые и т.д.), вкрученных в светильники.
Светодиодная лампа с рассеивателем
Особое внимание следует уделить светодиодным осветительным приборам. Светодиод дает узконаправленный и чистый свет. Поэтому смотреть на него будет не слишком комфортно. Поэтому такая ситуация подлежит исправлению с помощью рассеивателей. Это нужно делать еще и потому, что такие рекомендации прописаны в СНиП.
Обратите внимание! Исключение в плане модуляции светового потока до оптимального уровня составляют только уличные фонари, а также подсветка архитектурных сооружений.
Рассеиватель в светодиодных светильниках обязан выполнять следующие функции:
- обеспечивать защиту светодиодов (или другого источника света) от воздействий окружающей среды;
- создавать для глаз комфортное и правильное распределение светового потока, испускаемого лампочкой;
- повышать долговечность осветительного изделия;
- повышать стойкость прибора к различного рода химическим воздействиям.
Как видим, невозможно произвести обычную замену люминесцентной лампочки на светодиодный источник света. Здесь обязательно возникает необходимость дополнительно установить рассеиватель. В результате вы своими руками получите экономичный, модернизированный и безвредный светильник, свет которого подходит для комфортного пребывания в помещении во время его работы. Для многих светильников (например, марки Армстронг, Опал и т.д.) данный элемент изготавливают из оргстекла. Из этого же материала рассеиватель вполне можно изготовить и своими руками в домашних условиях.