Как сделать ночник из оргстекла. Шаг 5: Свечение
- Как сделать ночник из оргстекла. Шаг 5: Свечение
- 3д светильник своими руками.
- Как сделать торцевую подсветку стекла. Пошаговая инструкция
- Как сделать светящуюся надпись на оргстекле. Изготовление неоновой вывески своими руками
- Ночник из оргстекла на лазерном станке. Макеты в категории «Светильники и ночники»
- Оргстекло. Сравнение оргстекла с похожими материалами
- Как сделать 3d ночник. Как сделать ночник своими руками
Как сделать ночник из оргстекла. Шаг 5: Свечение
Удачи в ваших проектах
!
Стол из оргстекла с подсветкой — это область где можно применить фантазию небывало широко. Существует множество интересных технических и дизайнерских ходов, использовав которые, вы создадите настоящий футуристический шедевр.
Но начнём мы с описания азов. Основная идея стола из оргстекла заключается в том, что мы прокладываем по его периметру светодиодную ленту, свет от которой проходит сквозь толщу стекла, задерживаясь лишь в тех местах, где есть какие-либо неровности в поверхности, например шероховатость. И эти неровности начинают светиться!
Именно этим свойством мы и воспользуемся, целеноправленно вырезая всевозможные рисунки на поверхности орг. стекла.
Первым, что нам потребуется — будет рамка, в которую вставляется стекло. С одной из сторон рамки мы проложим и закрепим ленту.
Затем сверху устанавливаем стекло. В схематичном виде это будет выглядеть следующим образом. Как только свет от ленты попадёт в его торцевую часть — надпись начнёт светиться.
Теперь добавляем подсветку снизу стола и получаем довольно любопытный результат.
Хорошим дополнением могут быть интересные картинки, узоры на поверхности. Также можно положить распечатанные постеры под стекло — это будет смотреться весьма интересно. Особенно сильным ходом будет сделать эти постеры лайтбоксами, чтобы они светились в темноте. Пример лайтбокса приведен ниже.
Идеей, набирающей особенную популярность в последнее время, является использование эффекта объёмного зеркала. Он возникает, когда спрятанная в рамке зеркала светодиодная лента, многократно от него отражаясь, создаёт иллюзию бесконечной пропасти.
Оргстекло для торцевой подсветки – красивое и практичное решение для дома, квартиры, офиса. Через полотно свет равномерно распространяется и преломляется. Таким образом, в помещении создается атмосфера уюта. Рисунок на стене выглядит органично не только выполняя декоративную функцию, но и освещая пространство в любое время суток.
3д светильник своими руками.
Оригинальный ночной 3D светильник своими руками. Привет всем мозгочинам . В сегодняшнем проекте мы будем делать своими руками 3D светильник . Для данного проекта вам потребуется: &
Оригинальный ночной 3D светильник своими руками
Оригинальный ночной 3D светильник своими руками.
Привет всем мозгочинам . В сегодняшнем проекте мы будем делать своими руками 3D светильник .
Для данного проекта вам потребуется:
& Деревянная плита толщиной 6,5 мм.
& Акриловая пластина толщиной 6,5 мм.
& Светодиодная лента длиной 10 см.

ЗАKAZATЬ МOЖНО НА ОFИЦИАЛЬНОМ САЙТЕ МAГAЗИНЕ
Совместите круг с выгравированным прямоугольником, чтобы выровнять с основанием акриловой пластины. Прикрепите батарейку и провода к основанию. При использовании выключателя можно просверлить секцию основания для установки выключателя так, чтобы обеспечить к нему доступ снаружи.
Шаг 4: Завершение.
Зашкурьте основание, чтобы сгладить неровности поверхности. При желании покройте лаком или покрасьте.
Горячий ТОП за месяц.
МозгоЧины - сообщество для энтузиастов технического творчества © 2010 – 2018.
Лучшие записи за месяц.
3д светильник своими руками: шаг за шагом
Если у вас есть навыки в электрике и дизайне, то создать 3д светильник своими руками - это отличный способ добавить уникальный штрих к вашему интерьеру. В этом руководстве мы рассмотрим, как создать 3д светильник из материалов, доступных в любом доме.
Материалы и инструменты
- Деревянная или пластиковая основа (например, старый короб или коробка из-под бытовой техники)
- Светильный элемент (например, LED-лента или светодиод)
- Декоративные элементы (например, стекло, металлические детали, керамические детали)
- Электрический кабель и соединительные элементы
- Паяльник или клеевая смесь
Шаг 1: подготовка основы
Найдите подходящую основу для вашего светильника. Она может быть деревянной или пластиковой. Если вы используете деревянную основу, очистите ее от пыли и грязи, а затем обработайте защитным слоем.
Шаг 2: монтаж светильного элемента
Установите светильный элемент на основу. Если вы используете LED-ленту, просто приклеите ее к основе с помощью клея. Если вы используете светодиод, соедините его с электрическим кабелем и установите на основу.
Шаг 3: монтаж декоративных элементов
Установите декоративные элементы на основу. Это может быть стекло, металлические детали или керамические детали. Используйте клей или паяльник для крепления этих элементов.
Шаг 4: подключение электрики
Подключите электрику к светильному элементу. Используйте электрический кабель и соединительные элементы для этого.
Шаг 5: финальные работы
Выполните финальные работы, такие как окраска или покрытие основы, чтобы скрыть любые швы или изъяны.
Заказать материалы на официальном сайте магазина
Вы можете заказать необходимые материалы на официальном сайте магазина или в любом другом месте, где вам удобно.
Лучшие записи за месяц
- Руководство по созданию 2d-шкатулки
- 5 способов декорирования интерьера
- Краткий обзор лучших материалов для декорирования
Как сделать торцевую подсветку стекла. Пошаговая инструкция
Оформление стекла для торцевой подсветки по силам любому домовладельцу. Об особенностях процесса по порядку:
- Из оргстекла вырезаем светового панно нужных размеров и формы. Для этого используем ножовку, электролобзик и пр.
- Края обрабатываем, в торце делаем выемку для светодиодных компонентов.
- Наносим рисунок на самоклеющуюся бумагу и приклеиваем к полотну.
- С помощью скальпеля вырезаем контур.
- Электрической дрелью по намеченной линии гравируем стекло.
Это интересно: гравировка на оргстекле своими руками.
Теперь нужно собрать схему. Берем светодиоды и припаиваем к их плюсовым выводам по резистору. Изолируем контакты термоусадками. С помощью акрилового клея крепим светодиоды в торцевые отверстия полотна. Чтобы проверить исправность системы, соединяем плюсы и минусы по жилам, присоединяем к держателю батарей.
В итоге получиться отличный ночной светильник, собранный самостоятельно.
Вы сможете сделать красивый светильник из оргстекла, если будете придерживаться инструкции
Материалы и инструменты
Решили самостоятельно делать торцевую подсветку? Позаботьтесь, чтобы все необходимое было под рукой:
- акриловое полотно;
- профиль из алюминия;
- светодиодная лента;
- небольшой блок питания на 12V.
Если панно должно располагаться в помещении с повышенной влажностью, нужна специальная лента. Рассматриваете фальш-окно как вспомогательный источник света? Тогда потребуется светодиодная лента с повышенной производительностью.
Из инструментов обычно используют ножовку, электрический лобзик, дрель, крепежные компоненты и пр.
Как сделать светящуюся надпись на оргстекле. Изготовление неоновой вывески своими руками
Можно сделать неоновую вывеску своими руками. Для этого потребуются некоторые инструменты, материалы и основные навыки работы с электрическими схемами. Важно соблюдать технику безопасности.
Подготовка инструментов и материалов
Для самостоятельного изготовления потребуются:
- гибкий неон (подойдут модели на 12 или 24 В);
- источник питания;
- крепления (профиль, скобы и т.д.);
- заглушки для свободных краев проводов;
- клей;
- алюминиевая плоская трубка для каркаса;
- паяльник;
- бумага или картон для создания необходимого макета;
- изолирующая лента;
- специальный разъем на 2 контакта для подключения неона;
- наждачная бумага;
- нож или ножницы.
Могут потребоваться другие инструменты: тиски, уплотнители или герметики. Конкретный набор будет зависеть от типа выбранного крепления и специфических особенностей конструкции.
Создание вывески
Процесс изготовления неоновой конструкции своими руками.
Порядок работы:
- На бумаге или картоне нарисовать макет будущей конструкции.
- Из плоской трубки сформировать каркас, а затем проварить в нужных местах.
- К одной из сторон каркаса приварить крепления к стене.
- Зачистить и отполировать полученную конструкцию наждачкой.
- Профиль или другие выбранные крепления для провода установить по всей длине контура на небольшом расстоянии. Для прочности посадить на клей.
- Полученный каркас покрыть грунтовкой и дождаться ее высыхания.
- Гибкий неон монтируется в соответствующие крепления. Можно использовать клей для упрочнения.
- Части трубок спаиваются между собой, после чего все соединения изолируются.
- Отрезать лишнюю часть трубок.
- Через разъем питания подключить к сети.
- Проверить работоспособность системы.
- При помощи изоляционной ленты и заглушек обеспечить полную герметичность цепи.
Так можно создавать вывески в форме рисунков, слов или целых фраз. Остается установить конструкцию в нужном месте и провести питание.
Ночник из оргстекла на лазерном станке. Макеты в категории «Светильники и ночники»
Подраздел в каталоге rsbis.com — это полезный способ без регистрации выбрать, приобрести или опубликовать макеты для лазерной резки и шаблоны для вырезания. Характеристики, фотоснимки, отзывы, рейтинг работ авторов в нашем каталоге чертежей для лазерных и фрезерных станков, уф и 3д принтеров, для всех видов печати, другого промышленного и рекламного оборудования.
В каталоге макеты лазерной резки доступны свободно и к приобретению. Чтобы скрафтить продукцию в настоящем виде необходимо применить технологию резки. Для получения изделия применяйте предложенные материалы создателями, такие как: фанера, ДВП, МДФ, ХДФ, акрил, дерево. Забирайте шаблоны бесплатно или закажите по данной прайсу. рисунки могут быть применены, как графические элементы для производства многих дизайнов, взяв за базу части, чтобы получить подобное или похожее. Для производства используются ЧПУ станки, а также другое промышленное и рекламное оборудование.
Создатели дополняют и дают найти графику под разные запросы и потребности. Кликните по его профилю и посмотрите другие варианты, опубликованные на сайте. Ежедневное обновление, помогает обогатить ассортимент предлагаемых изделий. Файлы для скачивания нашего каталога представлены в форматах CDR, DXF. Они готовы для производства, а также для планшетной печати, ковки, в том числе и для увлечения и хобби. Оставьте ваше мнение на загруженные вектора — это подскажет другим при выборе. Если сами рисуете и хотите поделиться или продать, загружайте в список — ведь наш проект создан людьми для людей. В списке можно скачать или оплатить:
Почему модели в формате CDR и DXF? Часто CORELDRAW применяет множество производств, резчиков, рекламных агентств, разработчиков макетов, дизайнеров векторной графики и инженеров. Информацию по работе с векторными редакторами читайте в разделе статьи.
Отмечайте страницы в избранное или делитесь с друзьями с помощью ссылок и социальных кнопок.
Оргстекло. Сравнение оргстекла с похожими материалами
По виду и свойствам оргстекло можно сравнить с обычным стеклом, а также с прозрачными пластиками. И в том, и в другом случае оно окажется в выигрыше. Оно в 2,5 раза легче стекла обычного, но в 10 раз прочнее. При разбивании оно не распадается на осколки, поэтому полностью безопасно. В строительстве его ценят за хорошие звуко- и теплоизолирующие свойства (2 мм оргстекла можно сравнить с 10 мм обычного). По светопропусканию этот материал уступает только кварцевому стеклу. В отличие от обычного стекла его обработка не требует больших усилий. Его можно гнуть по радиусу, без предварительного нагрева, формовать. Все это существенно расширяет область его использования.
По сравнению с пластиками, которые требуют дополнительной защиты, органическое стекло наиболее устойчиво к ультрафиолетовому излучению. Оно на 17% легче компактного ПВХ и на 15% тяжелее полистирола. При этом первый может использоваться только при температуре до +60°C, второй — до +70°C, а акриловое стекло с легкостью выдерживает от -40°C до +80-90°C. По устойчивости к температурам его можно сравнить только с поликарбонатом. Этот материал выдерживает от - 50°C до +120°C.
Акриловое стекло не содержит токсических веществ и полностью безопасно для человека и окружающей среды. Его используют на улицах и в зданиях, также в детских учреждениях, больницах, санаториях. К некоторым вариантам может прилагаться сертификат, допускающий их контакт с пищевыми продуктами.
Как сделать 3d ночник. Как сделать ночник своими руками
Ночные настольные светильники и бра, помимо своего прямого функционального назначения, играют важную роль в дизайне интерьера комнаты. При этом самостоятельно изготовленные конструкции будут выгодно отличаться от массовых образцов своей оригинальностью.
Расскажем подробно, как сделать ночник своими руками из подручных материалов (например, фанеры, дисков, бумаги, капрона и т.д.). Но прежде, чем переходить к оформлению, начнем с главного — электрической схемы устройства.
Варианты схем ночников
Если в качестве источников света в ночниках или бра планируется устанавливать лампы под цоколь Е27 или Е14, то будет применяться стандартная схема подключения, которая на столько простая, что не нуждается в пояснении.

Простейшая схема подключения лампы в светильнике
Регулирование уровня светового потока — довольно полезная функция для ночника, пример реализации такого устройства (диммера) показан на рисунке.

Устройство диммера
Используемые элементы:
- D1 – динистор DB3;
- D2 — тринистор ВТА12;
Резисторы и конденсатор:
- R1 – номинал 500 кОм;
- R2 — 4,7 кОм, во многих подобных схемах указана мощность резистора 0,125 Вт, что приводит к перегреву, учитывая, что данное сопротивление используется как гасящееся, 2 Вт — минимум для него;
- С – емкость 0,1 мКф 250 В.
Заметим, что при реализации данной схемы возможно мерцание лампы и скачкообразная регулировка яркости. Как правило, это указывает на проблемы с динистором. Собственно, схема далека от совершенства и приведена в качестве примера простейшей реализации.
Необходимо заметить, что регулировать уровень освещения можно только в том случае, если используется лампа накаливания. Учитывая мощность такого источника освещения, реализация будет нерентабельной. Альтернатива – светодиоды.
Схемы на светодиодах
Сделать своими руками светодиодный ночник не так сложно, как кажется, тем более, что миниатюрность такого источника позволяет вмонтировать его в практически любой красивый декоративный абажур, например, домик из дерева. Пример такого исполнения показан на рисунке.

Креативный детский ночник светильник, сделанный своими руками в домашних условиях из светодиодов и бумаги
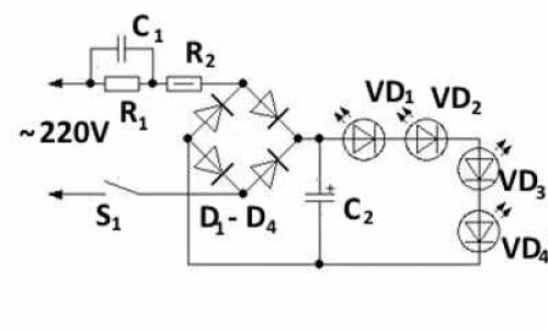
Схема светильника из светодиодов будет немного сложнее, чем у ночника, где используется лампа накаливания. Пример такой реализации показан на рисунке.

Бестрансформаторная схема ночника на светодиодах
Для представленной на рисунке схемы потребуются следующие радиодетали:
- D1 — D4 – можно использовать любые выпрямительные диоды, рассчитанные под минимальное напряжение 400 В и ток 400 мА;
- VD1 – VD4 – любой тип сверхярких светодиодов, рассчитанных под напряжение от 3,0 до 3,6 В;
- C1 – неполярный конденсатор с емкостью 0,15 мкФ и напряжением не менее 250 В;
- С2 – конденсатор электролитического типа 10 мкФ 50 В;
- Резисторы: R1 с номиналом 680 кОм, R2 – 560 Ом.
- S1 – любой выключатель.
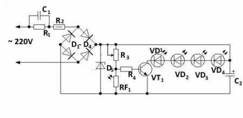
Можно сделать так, чтобы ночник автоматически включался, когда в комнате становится темно. Для этого потребуется незначительно усложнить схему, добавив в нее ключ на базе транзистора, как это показано на рисунке.

Ночник с автоматическим включением при наступлении темного времени суток
Добавленные в схему элементы:
- D5 – любой стабилитрон под напряжение 15 В;
- RF1 – фоторезистор, например, ФСК -1;
- R3 – переменный резистор 470 кОм, регулирует порог срабатывания;
- R4 – 2,2 кОм;
- VT1 – транзистор КТ315Г или аналог.
Заметим, для нормальной работы схемы необходимо сделать так, чтобы на фоторезистор не попадал свет от ночника.
https://www.youtube.com/watch?v=iMuHItEKTnI
Зарядка для телефона в качестве блока питания
Если у вас осталась зарядка от старого телефона, то ее можно приспособить для питания светодиодного ночника. В этом случае необходимо будет поставить только ограничивающее сопротивление, как это показано на рисунке.

Схема ночника с блоком питания на основе зарядного устройства
Для расчета сопротивления R1 можно воспользоваться формулой, выведенной из закона Ома:
R1=(Uист— Uпотр)/Iпотр;
Пояснение к формуле:
Uист– напряжение источника, у зарядного устройства, как правило, 6 вольт;
Uпотр– потребляемое напряжение, у типичных светодиодов от 2,8 до 3,6 вольт, для расчета необходимо брать минимальное значение, то есть 2,8 В;
Iпотр– потребляемый ток, для одного светодиода порядка 20 мА, соответственно, для трех — будет 60 мА.