Акриловые светильники, как сделать. Акрил для торцевой подсветки: описание и применение
- Акриловые светильники, как сделать. Акрил для торцевой подсветки: описание и применение
- Рамка из оргстекла своими руками. Фигурки из оргстекла своими руками. Изделия из оргстекла
- Преимущества и недостатки
- Классификация
- Классификация
- Общие инструкции
- Подготовка инструментов
- Изготовление держателя для ценников
- Создание подставки под телефон
- «Как заработать на изделиях из оргстекла»
- Что можно сделать из оргстекла?
- Нужны ли кому то эти штуковины и можно ли на них заработать?
- Вот примерные расчеты себестоимости изделий и цена для заказчика:
- Как сделать светящуюся надпись на оргстекле. Как делать светящиеся надписи на оргстекле?
- Ночник из оргстекла на лазерном станке. Макеты в категории «Светильники и ночники»
- Как сделать 3d ночник. Как сделать ночник своими руками
Акриловые светильники, как сделать. Акрил для торцевой подсветки: описание и применение
Панель должна освещаться равномерно. Для этого требуется определенный акрил для торцевой подсветки, обработка которого была выполнена по всем правилам. Равномерное яркое свечение обеспечивают бесцветные диффузные частицы, появляющиеся в листах акрила при специальной подготовке листа. В домашних условиях достичь такой степени равномерности и интенсивности свечения невозможно, поэтому необходимо приобрести оргстекло требуемой толщины и подходящее по другим параметрам. Толщина подбирается, исходя из размеров световой панели.
| Ширина панели Подсветка с одной стороны | Ширина панели Подсветка с двух-четырех сторон | Толщина листа, мм |
| до 150 мм | до 300 мм | 4 |
| 150—300 мм | 300—600 мм | 4,6,8,10 |
| 300—600 мм | 600—1200 мм | 4,6,8,10 |
| 600—1200 мм | 8,10 |
Как видно из таблицы, для светового панно, имитирующего окно, подойдет акриловый лист с толщиной не менее 8 мм. Вы найдете на сайтах производителей не только сам акрил для торцевой подсветки. Описание и применение каждого вида там даны детальные, поэтому сориентироваться с толщиной листа и его параметрами вам будет несложно.
Отдельно следует уточнить, что торцы, которые будут подсвечиваться, должны быть хорошо отполированы. Те же стороны, где не будет устанавливаться светодиодная лента, должны быть закрыты светоотражающей лентой. Если лист акрила разрезался с помощью лазерной резки, то дополнительная полировка не нужна. Еще одно важное замечание – любое повреждение акрила приведет к перераспределению светового потока, поэтому листы покрыты защитной пленкой. Снимать ее нужно лишь непосредственно перед установкой в профиль.

Рамка из оргстекла своими руками. Фигурки из оргстекла своими руками. Изделия из оргстекла
Поделки из оргстекла становятся все популярнее. Этот красивый и податливый материал подходит для изготовления статуэток, рамок для фото и других интересных и красивых вещей. В этом материале мы расскажем, как сделать из оргстекла держатель для ценника и подставку для телефона.
Преимущества и недостатки
Оргстекло стало популярным материалом для поделок благодаря следующим качествам:
- легкость;
- долговечность;
- устойчивость к ультрафиолетовому излучению;
- ударопрочность;
- податливость ко многим видам обработки и декорирования.
К недостаткам этого материала относятся легковоспламеняемость и слабая устойчивость к царапинам.
Классификация
Есть несколько видов оргстекла.
- Прозрачное. Бесцветные гладкие листы, пропускающие до 95% света. Подходят для травления и гравировки. Рамка или резная фигурка из такого материала отлично смотрится с закрепленной по периметру LED-гирляндой.
- Цветное. Материал имеет равномерную окраску, пропускает 20–75% света в зависимости от толщины листа и насыщенности оттенка. Такое оргстекло может быть относительно прозрачным или матовым, мягко рассеивающим свет. Из него получаются эффектные витражи и светильники. Листы, пропускающие минимум света, особенно хороши для ночников.
- Рифленое. С одной стороны листа есть выпуклый рисунок. Такой плексиглас может быть как прозрачным, так и цветным. Для поделок его используют редко.
Общие инструкции
Теперь рассмотрим, как сделать из оргстекла простые, но очень полезные вещи: держатель для ценника и подставку для телефона.
Подготовка инструментов
Для работы с плексигласом вам потребуются следующие инструменты:
- линейка;
- нож, циркулярная пила или лобзик;
- грузик;
- наклонный упор;
- тепловой резак.
Резак можно сделать самостоятельно. Для этого понадобятся:
- нитрохромовая проволока 0,5–1 мм толщиной и 30–50 см длиной;
- рамка;
- источник питания 12 В.

Благодаря специальному ножу для оргстекла можно легко вырезать нужные детали из данного материала
Проволоку закрепляют на раме и подключают к источнику питания. Это устройство нужно, чтобы сгибать оргстекло.
Заранее нарисуйте точные схемы заготовок: погрешность в 1 см может сделать предмет непригодным для использования. Обе конструкции имеют вертикально расположенные части, поэтому основание должно быть надежным, чтобы они не падали.
Изготовление держателя для ценников
Есть несколько видов держателей для ценников. Для примера рассмотрим изготовление настольного. Он имеет следующую форму : от основания отходит наклоненная вертикальная часть с плотным зажимом наверху, благодаря которому листок с ценой не выпадает. Для такого изделия понадобится прозрачный лист толщиной 1,5–3 мм.
Работу проводят так:

Создание подставки под телефон
Для примера рассмотрим создание подставки с основанием, вертикальной частью, нижним упором и боковыми держателями. Все эти части могут быть прямоугольными или выполненными в художественном виде.
В видео курсе подробно описано как самому изготовить прозрачные подставки из оргстекла под буклеты, бижутерию, косметику, сотовые телефоны, кошельки, обувь и другие изделия из оргстекла (акрила). А так же прозрачные держатели для ценников — ценникодержатели. Вы узнаете какие инструменты (с минимальной ценой) и материалы для этого нужны, где их достать и как обрабатывать.
«Как заработать на изделиях из оргстекла»
В видео курсе подробно описано как самому изготовить прозрачные подставки из оргстекла под буклеты, бижутерию, косметику, сотовые телефоны, кошельки, обувь и другие изделия из оргстекла (акрила). А так же прозрачные держатели для ценников — ценникодержатели.
Вы узнаете какие инструменты (с минимальной ценой) и материалы для этого нужны, где их достать и как обрабатывать.
Что можно сделать из оргстекла?
Нужны ли кому то эти штуковины и можно ли на них заработать?
Вот примерные расчеты себестоимости изделий и цена для заказчика:
- 1 кв.м. ПВХ прозрачного 0.8 мм стоит 163 руб.
- 1 кв.м. Оргстекла 1.5 мм. стоит 378 руб.
- Ценникодержатель 3 см. на 5 см.
- Общая площадь материала — 0.003м.кв. Себестоимость 0.57 руб.
- Цена для клиента 5-6 руб.:
- Подставка под кошелек (или другой товар).
- Общая площадь материала — 0.023м.кв. Себестоимость 8.7 руб. Цена: 52 руб.
Цены на материалы и цены на готовые изделия могут колебаться в зависимости от вашего места жительства. Но все равно вы увидели что изготавливая такие изделия можно заработать. Тем более что такие изделия заказывают десятками, сотнями, а иногда и тысячами.



Как сделать светящуюся надпись на оргстекле. Как делать светящиеся надписи на оргстекле?
Все, что не вошло в предыдущие разделы. Интересные идеи по тюнингу. Треп…
Всем доброго времени суток!#3 - последнее фото значек тойоты и надпись CAMRYкак я понимаю по бокам в оргстекле вырезаются отверстия под светодиоды (широкие или точечные туда имплантируются??).Но как добиться чтобы светилась надпись? Просто на оргстекле выцарапать и будет работать ?у кого был опыт в такой деятельности? подскажите плиз, а то жалко запарывать оргстекло, оно нынче не дешево..
Последний раз редактировалось no_fear 02-04, 20:17, всего редактировалось 1 раз.
В основе идеи, лежит свечение люминофоров под действием Эл.поля. Такое свечение вы видите в любой лампе дневного света и уличных фонарях. Дальнейшее развитие этой технологии, привело к изобретению подсветки жк дисплеев. Такую подсветку вы видите практически в каждом мобильном телефоне.Именно эта технология и применена в представленном логотипе. Для питания панели необходимо довольно высокое напряжение 100-200 вольт с частотой около 500герц. Для создания питающего напряжения, в комплекте с панелью идёт миниатюрный преобразователь, использующий для своей работы, штатное питание автомобиля 12 вольт.Всё устройство абсолютно безопасно. Оно не греется и потребляет для своего питания ток , сопоставимый с саморазрядом аккумуляторной батареи. Сама панель выполнена из тонкого, прозрачного пластика, имеющего многослойную структуру.
Где скотч не держит - сварке делать нечего!
Светящая надпись на оргстекле: как это работает?
Всем доброго времени суток!
Мы продолжаем серию статей о тюнинге, и сегодня мы будем говорить о создании светящейся надписи на оргстекле. Это интересный и необычный способ декорировать свой автомобиль.
В основе идеи лежит свечение люминофоров под действием электромагнитного поля. Это технология, которая используется в лампах дневного света и уличных фонарях. Дальнейшее развитие этой технологии привело к изобретению подсветки ЖК-дисплеев, которые мы видим в каждом мобильном телефоне.
Именно эта технология и была применена в представленном логотипе. Для питания панели необходимо довольно высокое напряжение 100-200 вольт с частотой около 500 герц. Для создания питающего напряжения, в комплекте с панелью идёт миниатюрный преобразователь, использующий для своей работы штатное питание автомобиля 12 вольт.
Всё устройство абсолютно безопасно. Оно не греется и потребляет для своего питания ток, сопоставимый с саморазрядом аккумуляторной батареи. Сама панель выполнена из тонкого, прозрачного пластика, имеющего многослойную структуру.
Таким образом, чтобы создать светящуюся надпись на оргстекле, вам не нужно иметь какие-то сложные навыки или инструменты. Панель может быть установлен на любом месте, где вам нужно, и будет светить, не требуя дополнительного питания.
Где скотч не держит - сварке делать нечего!
Ночник из оргстекла на лазерном станке. Макеты в категории «Светильники и ночники»
Подраздел в каталоге rsbis.com — это полезный способ без регистрации выбрать, приобрести или опубликовать макеты для лазерной резки и шаблоны для вырезания. Характеристики, фотоснимки, отзывы, рейтинг работ авторов в нашем каталоге чертежей для лазерных и фрезерных станков, уф и 3д принтеров, для всех видов печати, другого промышленного и рекламного оборудования.
В каталоге макеты лазерной резки доступны свободно и к приобретению. Чтобы скрафтить продукцию в настоящем виде необходимо применить технологию резки. Для получения изделия применяйте предложенные материалы создателями, такие как: фанера, ДВП, МДФ, ХДФ, акрил, дерево. Забирайте шаблоны бесплатно или закажите по данной прайсу. рисунки могут быть применены, как графические элементы для производства многих дизайнов, взяв за базу части, чтобы получить подобное или похожее. Для производства используются ЧПУ станки, а также другое промышленное и рекламное оборудование.
Создатели дополняют и дают найти графику под разные запросы и потребности. Кликните по его профилю и посмотрите другие варианты, опубликованные на сайте. Ежедневное обновление, помогает обогатить ассортимент предлагаемых изделий. Файлы для скачивания нашего каталога представлены в форматах CDR, DXF. Они готовы для производства, а также для планшетной печати, ковки, в том числе и для увлечения и хобби. Оставьте ваше мнение на загруженные вектора — это подскажет другим при выборе. Если сами рисуете и хотите поделиться или продать, загружайте в список — ведь наш проект создан людьми для людей. В списке можно скачать или оплатить:
Почему модели в формате CDR и DXF? Часто CORELDRAW применяет множество производств, резчиков, рекламных агентств, разработчиков макетов, дизайнеров векторной графики и инженеров. Информацию по работе с векторными редакторами читайте в разделе статьи.
Отмечайте страницы в избранное или делитесь с друзьями с помощью ссылок и социальных кнопок.
Как сделать 3d ночник. Как сделать ночник своими руками
Ночные настольные светильники и бра, помимо своего прямого функционального назначения, играют важную роль в дизайне интерьера комнаты. При этом самостоятельно изготовленные конструкции будут выгодно отличаться от массовых образцов своей оригинальностью.
Расскажем подробно, как сделать ночник своими руками из подручных материалов (например, фанеры, дисков, бумаги, капрона и т.д.). Но прежде, чем переходить к оформлению, начнем с главного — электрической схемы устройства.
Варианты схем ночников
Если в качестве источников света в ночниках или бра планируется устанавливать лампы под цоколь Е27 или Е14, то будет применяться стандартная схема подключения, которая на столько простая, что не нуждается в пояснении.

Простейшая схема подключения лампы в светильнике
Регулирование уровня светового потока — довольно полезная функция для ночника, пример реализации такого устройства (диммера) показан на рисунке.

Устройство диммера
Используемые элементы:
- D1 – динистор DB3;
- D2 — тринистор ВТА12;
Резисторы и конденсатор:
- R1 – номинал 500 кОм;
- R2 — 4,7 кОм, во многих подобных схемах указана мощность резистора 0,125 Вт, что приводит к перегреву, учитывая, что данное сопротивление используется как гасящееся, 2 Вт — минимум для него;
- С – емкость 0,1 мКф 250 В.
Заметим, что при реализации данной схемы возможно мерцание лампы и скачкообразная регулировка яркости. Как правило, это указывает на проблемы с динистором. Собственно, схема далека от совершенства и приведена в качестве примера простейшей реализации.
Необходимо заметить, что регулировать уровень освещения можно только в том случае, если используется лампа накаливания. Учитывая мощность такого источника освещения, реализация будет нерентабельной. Альтернатива – светодиоды.
Схемы на светодиодах
Сделать своими руками светодиодный ночник не так сложно, как кажется, тем более, что миниатюрность такого источника позволяет вмонтировать его в практически любой красивый декоративный абажур, например, домик из дерева. Пример такого исполнения показан на рисунке.

Креативный детский ночник светильник, сделанный своими руками в домашних условиях из светодиодов и бумаги
Схема светильника из светодиодов будет немного сложнее, чем у ночника, где используется лампа накаливания. Пример такой реализации показан на рисунке.

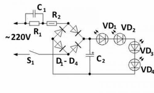
Бестрансформаторная схема ночника на светодиодах
Для представленной на рисунке схемы потребуются следующие радиодетали:
- D1 — D4 – можно использовать любые выпрямительные диоды, рассчитанные под минимальное напряжение 400 В и ток 400 мА;
- VD1 – VD4 – любой тип сверхярких светодиодов, рассчитанных под напряжение от 3,0 до 3,6 В;
- C1 – неполярный конденсатор с емкостью 0,15 мкФ и напряжением не менее 250 В;
- С2 – конденсатор электролитического типа 10 мкФ 50 В;
- Резисторы: R1 с номиналом 680 кОм, R2 – 560 Ом.
- S1 – любой выключатель.
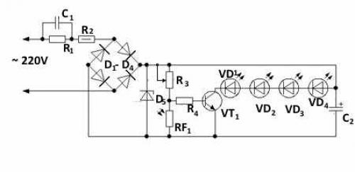
Можно сделать так, чтобы ночник автоматически включался, когда в комнате становится темно. Для этого потребуется незначительно усложнить схему, добавив в нее ключ на базе транзистора, как это показано на рисунке.

Ночник с автоматическим включением при наступлении темного времени суток
Добавленные в схему элементы:
- D5 – любой стабилитрон под напряжение 15 В;
- RF1 – фоторезистор, например, ФСК -1;
- R3 – переменный резистор 470 кОм, регулирует порог срабатывания;
- R4 – 2,2 кОм;
- VT1 – транзистор КТ315Г или аналог.
Заметим, для нормальной работы схемы необходимо сделать так, чтобы на фоторезистор не попадал свет от ночника.
https://www.youtube.com/watch?v=iMuHItEKTnI
Зарядка для телефона в качестве блока питания
Если у вас осталась зарядка от старого телефона, то ее можно приспособить для питания светодиодного ночника. В этом случае необходимо будет поставить только ограничивающее сопротивление, как это показано на рисунке.

Схема ночника с блоком питания на основе зарядного устройства
Для расчета сопротивления R1 можно воспользоваться формулой, выведенной из закона Ома:
R1=(Uист— Uпотр)/Iпотр;
Пояснение к формуле:
Uист– напряжение источника, у зарядного устройства, как правило, 6 вольт;
Uпотр– потребляемое напряжение, у типичных светодиодов от 2,8 до 3,6 вольт, для расчета необходимо брать минимальное значение, то есть 2,8 В;
Iпотр– потребляемый ток, для одного светодиода порядка 20 мА, соответственно, для трех — будет 60 мА.